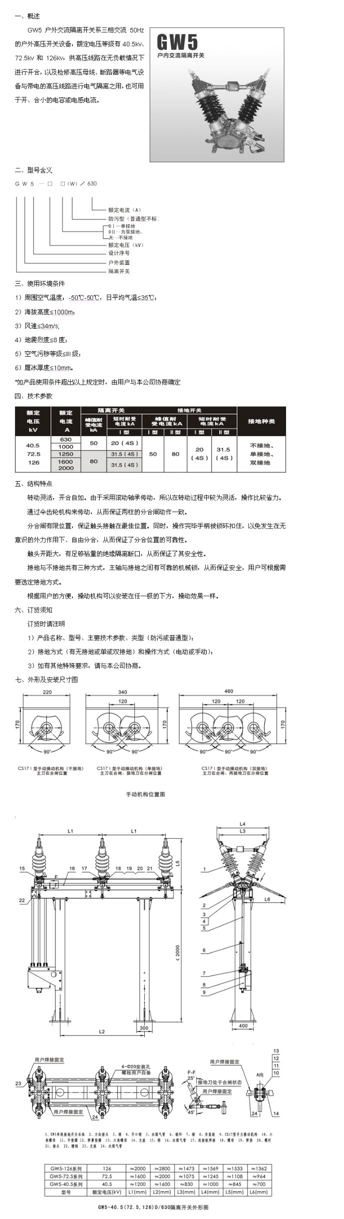
隔离开关

>
<

GW5-12户外交流高压隔离开关

当前栏目:隔离开关

联系电话:13970077772

公司地址:江西省南昌高新技术开发区天祥北大道699号中节能江西低碳园

产品概述:
该开关采用空气隔离式结构设计,具有良好的绝缘性能和安全可靠性。它符合国家标准GB1985-2004《交流高压隔离开关》以及IEC62271-102等相关标准。 技术参数: 额定电压:12kV 额定电流:630A、1250A、1600A、2000A 短时耐受电流:20kA、25kA、31.5kA、40kA...

产品详情

该开关采用空气隔离式结构设计,具有良好的绝缘性能和安全可靠性。它符合国家标准GB1985-2004《交流高压隔离开关》以及IEC62271-102等相关标准。


技术参数:


额定电压:12kV

额定电流:630A、1250A、1600A、2000A

短时耐受电流:20kA、25kA、31.5kA、40kA

动稳定电流:50kA、63kA、80kA、100kA

机械寿命:10000次

应用范围:


该产品适用于各种户外高压电力系统,包括变电站、配电室、电力线路等场合。它主要用于开关电源,断开和隔离电力系统中的电路。


注意事项:


安装前必须检查产品的各项参数是否符合要求。

安装时必须遵循安装指南,并确保安装牢固、接线正确。

使用前必须进行试验,并确保使用环境符合要求。

使用过程中,应定期检查设备的运行状态,并及时处理故障。

1.jpg

江西冉鑫科技有限公司

13970077772

(联系电话 7×24)